加高晶振,压控温补晶振,HSA221S晶振,加高压控温补晶振,小体积贴片2520mm晶振,外观小型,表面贴片型晶振,因本身体积小等优势,适用于移动通信终端的基准时钟等移动通信领域.小型,薄型,轻型具备优良的耐环境特性及高耐热性强.满足无铅焊接的回流温度曲线要求.
有源晶振高频振荡器使用IC与晶片设计匹配技术:2520贴片晶振是高频振荡器研发及生产过程必须要解决的技术难题.在设计过程中除了要考虑石英晶体谐振器具有的电性外,还有石英晶体振荡器的电极设计等其它的特殊性,必须考虑石英晶体振荡器的供应电压、起动电压和产品上升时间、下降时间等相关参数.
我们致力于建立深厚的顾客信赖关系及满意度的提升.为达到全面服务客户对于石英晶体振荡器,陶瓷振动子,32.768K,时钟晶体,压电石英晶体需求、制造质量与价格优势,我们在台湾、大陆及泰国皆拥有生产工厂,并且提供多元化的网路服务,配置多国语言能力之销售团队,使我们能够与国际客户群进行有效的沟通,取得客户的支持及认可,国内外客户皆可透过各地的销售办事处和经销商,取得完整即时的需求回应及服务.
|
加高晶振 |
HSA221S晶振 |
|
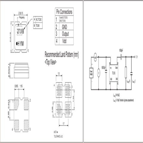
输出类型 |
Clipped Sinewave |
|
输出负载 |
10pF |
|
振荡模式 |
基本/第三泛音 |
|
电源电压 |
+1.8V~3.3V |
|
频率范围 |
13~52.0MHz |
|
频率稳定度 |
±2ppm |
|
工作温度 |
-30~+85℃ |
|
保存温度 |
-55~+125℃ |
|
电压卷(最大值)/ VOH(最小值) |
0.1 VDD / 0.9 VDD |
|
启动时间 |
5 ms Max. |
|
相位抖动(12兆赫~20兆赫) |
1个PS最大。 |
|
老化率 |
±3 ppm /年最大。 |

噪音
在电源或输入端上施加执行级别(过高)的不相干(外部的)噪音,可能导致会引发贴片晶振功能失常或击穿的闭门或杂散现象.
电源线路
电源的线路阻抗应尽可能低.
输出负载
建议将输出负载安装在尽可能靠近摄像头晶振的地方(在20mm范围之间).
在一个不同扩张系数电路板(环氧玻璃)上焊接陶瓷谐振器产品时,在温度长时间重复变化时可能导致端子焊接部分发生断裂,请事先检查焊接特性.
自动安装和真空化引发的冲击会破坏产品特性并影响这些进口晶体振荡器.请设置安装条件以尽可能将冲击降至低,并确保在安装前未对产品特性产生影响.
加热包装材料至+150°C以上会破坏产品特性或损害谐振器.如需在+150°C以上焊接晶体产品,建议使用SMD晶体.
在更高或更低温度或高湿度环境下长时间保存进口石英晶振产品时,会影响频率稳定性或焊接性.请在正常温度和湿度环境下保存这些晶体产品,并在开封后尽可能进行安装,以免长期储藏.
加高石英晶振坚持在发展中保护、在保护中发展,积极探索环境保护新道路,切实解决影响科学发展和损害群众健康的突出环境问题,全面开创环境保护工作新局面.
充分认识加强环境保护工作的重要性和紧迫性,把环境保护摆在更加重要的战略位置,以对国家、对民族、对子孙后代高度负责的精神,切实做好环境保护工作,推动经济社会全面协调可持续发展.
加高晶振公司提供从材料的选定到废弃过程中考虑环境质量的产品.加强制度建设,深化环境监管,向环境污染宣战,促进经济与环境协调发展.
积极参与公司内部活动和地区环境改善活动,为社会做出贡献,实现公司的社会责任.实施公司内部环境培训和训练,推进防污染和环保活动.遵守国内外法律,遵守与客户和地区的约定事项,与日常业务相融合,努力开展继续改善环境的工作.
对员工进行环境保护知识培训,提高其环境意识,建立环境职责,自觉改进、预防对环境的负面影响.在对石英晶振,贴片晶振,压控晶体振荡器(VCXO)、温补晶体振荡器(TCXO)压电石英晶体元器件等有源晶振的全过程中努力节能降耗,实现资源消耗最小化.对产生环境影响的活动做出及时反应,并对可能产生环境负面影响的活动做出预防.




京瓷晶振,有源晶振,KC2520C-C2晶振,KC2520C26.0000C2LE00晶振
京瓷晶振,有源晶振,KC2520K晶振,KC2520K48.0000C1GE00晶振
百利通亚陶晶振,有源晶振,FJ晶振,FJ2400011晶振
百利通亚陶晶振,有源晶振,JT晶振,JT2553P0016.369000晶振
加高晶振,加高进口晶振,HSO221S石英晶振
加高晶振,加高有源晶振,HSB221S振荡器
希华晶振,SIWARD CRYSTAL,SCO-2520振荡子
NSK晶振,津绽石英晶振,NAOL22振荡子
